用途及主要特點
廣泛用于起重、運輸、冶金、礦山、港口、碼頭、建筑等機械驅動裝置的減速或停車制動。
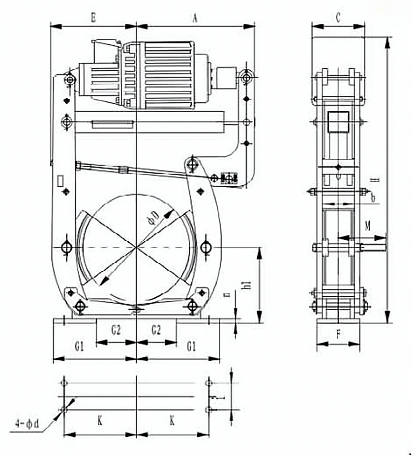
安裝尺寸及制動力矩參數符合DIN15435和JB/T7021-2006,技術要求符合JB/T6406-2006。
主要擺動鉸點均安裝有自潤滑軸承,傳動效率高、壽命長,使用過程中無需潤滑。
性能安全可靠,制動平穩(wěn),動作頻率高。
制動力矩直接顯示。
無石棉制動襯墊與制動瓦塊采用卡裝插入式。性能可靠,更換方便、快捷。
使用條件
環(huán)境溫度:-20℃~50℃。
使用地點海拔高度符合GB755-2008。
工作環(huán)境中不得有易燃、易爆及防腐性氣體。否則應采用防爆型或防腐型產品。
型號意義


主要技術參數及外形尺寸

